
I need to replace the electrical-switch & relay door jamb switch. Where is it located under hood. the problem I’m having is the door ajar light will not turn off. something is draining my battery.
RESPONSE
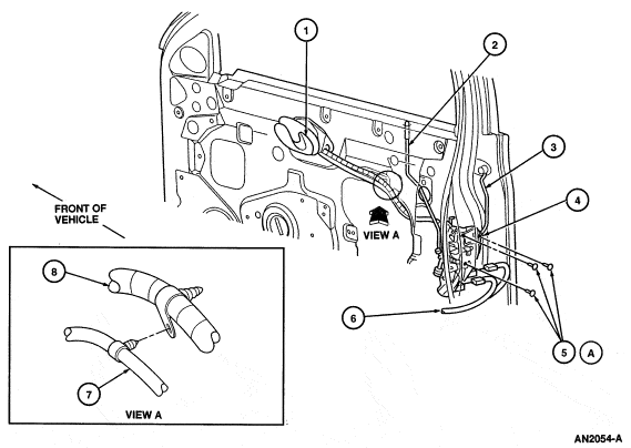
The switch in an internal component of the door latch assembly(4). It is mounted inside the door.
Door Latch Removal
- Position door glass in the up position.
- Remove front door trim panel (23942) and windshield.
- Unbolt the window regulator support bar from the door, and slide the bar out of the way to gain access to the door latch.
- Check all hardware connections to front door latch (21812) and inside door handle and service as necessary.
- Remove upper end of front door key cylinder rod from key cylinder lever.
- Open retainer attaching outside door handle control rod to front latch.
- Disconnect electrical connector for door ajar switch (attached to latch).
- Disconnect electrical connector for the adjunct power door latch actuator (if equipped).
- Remove three screws attaching front latch to front door.
- Remove front door latch (with pushbutton rod and key cylinder rod attached) from front door cavity.
- Remove cable windshield and cable from latch.
- To remove door ajar switch, use a flat-blade screwdriver to gently pry apart inner latch casing while twisting door ajar switch clockwise (for RH latch) or counterclockwise (for LH door latch) until switch releases. Remove door ajar switch.
- To remove adjunct door latch actuator, release retaining tab on actuator and slide actuator off latch.
- Transfer components to new door latch as necessary.