My car discharged the battery while driving yesterday all the way to zero but the car continued to run. I jump started the car when I got home to see if it may be the alternator. It jumped and I ran it for several minutes then turned it off. Battery was dead. I purchased a new battery and installed it. After installation I turned on the car and the volts read 10-12 instead of 12-14. Today, while driving the new battery discharged completely again, but the car continued to run until I shut it off. Usually I would say it is the alternator. However, should not the car stop running completely after the battery discharged? Is it possible I purchased a bad battery, or could it be the alternator even though the car continues to run until I shut it off?
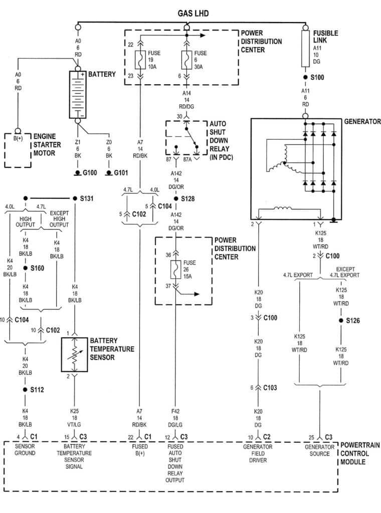
Typically , Yes. Is the little battery Icon light illuminated on the dash? Looking at the wiring diagram I show an inline fusible link between the alternator and the battery. This would be the first thing I would check after charging the battery fully.

