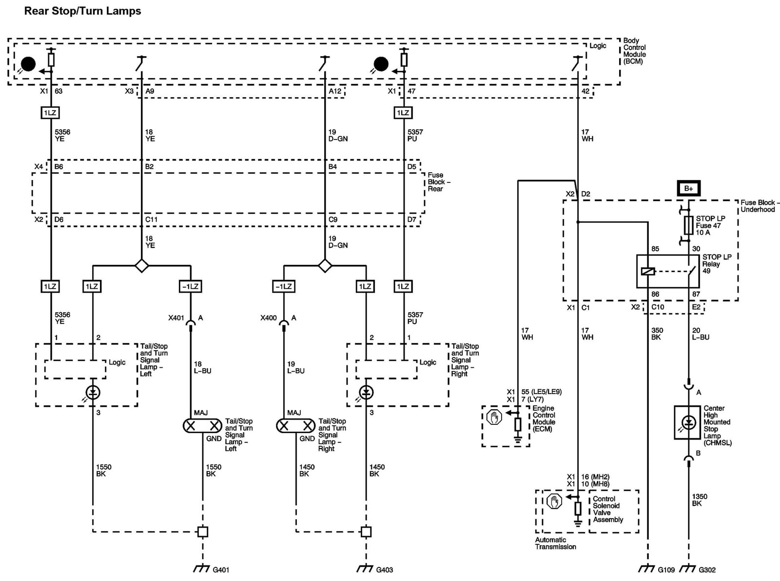
My rear brake light works but the turn signal function does not
See if they function with the hazard light switch. If they do then the problem is most likely a faulty Multi-function turn signal switch. Not he case? May have to check the wiring harness next.
| MULTI-FUNCTION SWITCH R&R TURN SIGNAL SWITCH 1. Remove steering column trim covers. 2. Disconnect any electrical connectors, as required. 3. Release plastic retaining tabs to remove turn signal multifunction switch, Fig. 1. 4. Reverse procedure to install. |


Rear Tail/Stop and turn signal wiring diagram

