I have 2012 Ford escape 3.0 when I start my car gas is leaking from muffler don’t have pressure regulator because of the no retunless fuel system not sure if fuel pump is not working
With your 2012 Ford Escape 3.0, raw fuel leaking from the muffler after starting, especially with a no-return fuel system, strongly suggests a fuel pump issue or a problem with the fuel injectors. If the engine sounds normal the fuel pump would be the most likely cause. However if the engine has a misfire, the one or more of the fuel injectors would be the most likely cause in my opinion.
Here’s a breakdown of potential causes and troubleshooting steps:
Possible Causes:
- Fuel Pump Failure: A failing or faulty fuel pump might not be able to maintain the correct fuel pressure, leading to excess fuel being forced into the engine and out the exhaust.
- Fuel Injector Issues: Leaky or stuck-open fuel injectors can allow raw fuel to enter the engine and then pass through the exhaust system.
- Fuel Rail Pressure Sensor: A faulty fuel rail pressure sensor could cause the fuel system to not regulate correctly, leading to excess fuel.
- Fuel Pressure Regulator (Even in No-Return Systems):While a no-return system doesn’t have a traditional pressure regulator, it might still have a pressure relief valve that could be faulty.
- Clogged Fuel Filter: A clogged fuel filter can restrict fuel flow, causing the fuel pump to work harder and potentially leading to fuel leaks.
- Fuel Line or Connection Leaks: Inspect the fuel lines and connections for any cracks or leaks that could be causing fuel to escape.
Troubleshooting Steps:
- Visually Inspect Fuel System: Check the fuel lines, fuel pump, fuel injectors, and connections for any signs of leaks, damage, or wear.
- Check Fuel Pressure: Use a fuel pressure gauge to measure the fuel pressure at the fuel rail.
- Check Fuel Pump Function: Test the fuel pump’s electrical connections and voltage to ensure it’s receiving the proper power.
- Inspect Fuel Injectors: Check the fuel injectors for proper operation and potential clogging.
- Test Fuel Pressure Regulator/Relief Valve: If your vehicle has a pressure relief valve, test it to ensure it’s functioning correctly.
- Check for Vacuum Response: If your regulator uses a vacuum line, disconnect the vacuum hose and observe the gauge. The pressure should rise when the vacuum is removed.
- Check for Clogged Fuel Filter: Replace the fuel filter and see if that resolves the issue.
- Check Fuel Rail Pressure Sensor: If you suspect a faulty fuel rail pressure sensor, test or replace it.
- Consult a Mechanic: If you are unsure about any of these steps, consult a qualified mechanic.
Important Safety Note: Fuel is highly flammable, so be cautious when working with the fuel system and avoid smoking or open flames.
Fuel Pump Replacement Labor Time
Fuel Pump R&R – 2012 Ford Escape
| Operation | Vehicle Attributes | Hours |
|---|---|---|
| Fuel Pump R&R General | 1.4 |
Notes: Includes: The removal of all necessary components for access. Does not include: Fuel Tank Drain and Refill, System diagnosis and testing, or a vehicle road test.
Premium Electric Fuel Pump Module – Ford Escape 2010-2012 – $75.99 through Amazon

| Part Number | Description | QTY | Price |
|---|---|---|---|
| AL8Z-9H307-C | Electric Fuel Pump – In Tank Assy., Incl.Fuel Tank Sending Unit | 1 | $474.55 |
| 4L3Z-9276-AA | Fuel Pump Tank Seal | 1 | $32.73 |
| 4L2Z-9C385-AA | Fuel Tank Lock Ring – 2010-12 | 1 | $23.82 |
Fuel Pump Removal and Installation
WARNING: Do not smoke, carry lighted tobacco or have an open flame of any type when working on or near any fuel-related component. Highly flammable mixtures are always present and may be ignited. Failure to follow these instructions may result in serious personal injury.
WARNING: Do not carry personal electronic devices such as cell phones, pagers or audio equipment of any type when working on or near any fuel-related component. Highly flammable mixtures are always present and may be ignited. Failure to follow these instructions may result in serious personal injury.
WARNING: Before working on or disconnecting any of the fuel tubes or fuel system components, relieve the fuel system pressure to prevent accidental spraying of fuel. Fuel in the fuel system remains under high pressure, even when the engine is not running. Failure to follow this instruction may result in serious personal injury.
WARNING: When handling fuel, always observe fuel handling precautions and be prepared in the event of fuel spillage. Spilled fuel may be ignited by hot vehicle components or other ignition sources. Failure to follow these instructions may result in serious personal injury.
WARNING: Always disconnect the battery ground cable at the battery when working on an evaporative emission (EVAP) system or fuel-related component. Highly flammable mixtures are always present and may be ignited. Failure to follow these instructions may result in serious personal injury.
- Release the fuel system pressure. For additional information, refer to Section 310-00.
- Disconnect the battery ground cable. For additional information, refer to Section 414-01.
- Remove the Fuel Pump (FP) module access cover.
- NOTE: Clean the FP module connections, couplings, flange surfaces and the immediate surrounding area of any dirt or foreign material. Disconnect the FP module electrical connector.
- NOTE: Place absorbent toweling in the immediate surrounding area in case of fuel spillage. Disconnect the fuel tube-to-FP module quick connect coupling. For additional information, refer to Section 310-00.
- Disconnect the fuel tank filler pipe recirculation tube-to-FP module quick connect coupling. For additional information, refer to Section 310-00.
- NOTE: For initial draining on vehicles with a full tank of fuel, it is required to remove the fuel through the fuel tank filler pipe recirculation tube port on the FP module. Connect the Fuel Storage Tanker hose to the fuel tank filler pipe recirculation tube port on the FP module and remove approximately one-fourth of the fuel from a completely full tank (approximately 4 gallons), lowering the fuel level below the FP module mounting flange.

- NOTICE: Carefully install the Fuel Tank Sender Unit Wrench to avoid damaging the Fuel Pump (FP) module when removing the lock ring. NOTE: When installing the FP module, install a new O-ring seal. Install the Fuel Tank Sender Unit Wrench and remove the FP module lock ring.

- NOTICE: The Fuel Pump (FP) module must be handled carefully to avoid damage to the float arm.NOTE: Some residual fuel may remain in the FP module. Carefully drain into a suitable container. Completely remove the FP module from the fuel tank.
- NOTE: Inspect the surfaces of the FP module flange and fuel tank O-ring seal contact surfaces. Do not polish or adjust the O-ring seal contact area of the fuel tank flange or the fuel tank. Install a new FP module or fuel tank if the O-ring seal contact area is bent, scratched or corroded. NOTE: To install, apply clean engine oil to the O-ring seal. Remove and discard the FP module O-ring seal.
- NOTE: Make sure to install a new FP module O-ring seal. To install, reverse the removal procedure.
- Make sure the alignment tabs on the FP module and the fuel tank meet prior to tightening the FP module lock ring.
- Tighten the FP lock ring until it meets the stop tabs on the fuel tank.
Fuel Injector Replacement Labor Time
Fuel Injector R&R
| Operation | Vehicle Attributes | Hours |
|---|---|---|
| Fuel Injector R&R General | (One) 2.1(All) 2.1 |
Notes: Includes: The removal of component and all necessary components for access. Does not include: System diagnosis, testing, or a vehicle road test.
Fuel Injectors Set of 6 Compatible with Ford Escape/Fusion 2009-2012

| Part Number | Description | QTY | Price |
|---|---|---|---|
| 9L8Z-9F593-A | Fuel Injector – Incl.O-Rings | 6 | $83.82 |
| 7T4Z-9229-B | Fuel Injector O-Ring Kit – Lower – Incl.Qty.6 O-Rings | 1 | $5.67 |
| FOPZ-9229-A | Fuel Injector O-Ring Kit – Upper – Incl.Qty.10 O-Rings | 1 | $11.22 |
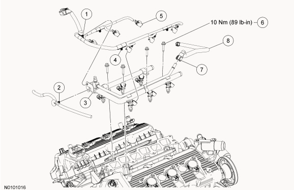
Fuel Rail and Fuel Injector – Exploded View


I did check what you said so come to find out the number 2 intake manifold was filled up with gas and that the number 2 fuel injector was stuck open so I change that injector took all spark plugs out turned engine by hand to get the gas out put new spark plugs I got to start one time and no crank no start so I took starter back and replaced it I don’t know why the selinoid on starter keeps burning out so replaced starter again and it started up again turned it off to see if gas was still leaking and it still was just a little bit not like before so now I’m stuck with a no crank no start issue but sometimes it might crank but no start what should I do
Change the oil. Most likely the gas washed past the rings and caused the oil to be contaminated, Then, the next time it will not crank, check why not.
https://www.freeautomechanic.com/nostart.html — > Engine does not turn over when attempting to start —>
Comments are closed.