
Here is the set up, I was driving my truck (f150, 5.0L, 1995) and stopped at a stop light. my radio was not powered on so i decided to turn off my truck and then turn it back on to see if that would power the radio. when i tried to turn the ignition past on to turn the engine over, I heard a loud click like sound and then all power quit. I was able to get the truck back to work as i was only a 100 yards away. Then checked the battery with a meter and there is 12 volts. I had just recently replaced the starter. I looked at the starter and there were no wiring issues there. Next, I looked at all my fuses under the hood and dash, nothing blown, I can’t tell with the relays. My lights do not light up with the key on or off, they usually do. when i turn the key to on there are no indicator lights on the dash.
With this info in mind, any ideas on where to start with diagnosing?
I was thinking it is my ignition but i don’t know how to check that.
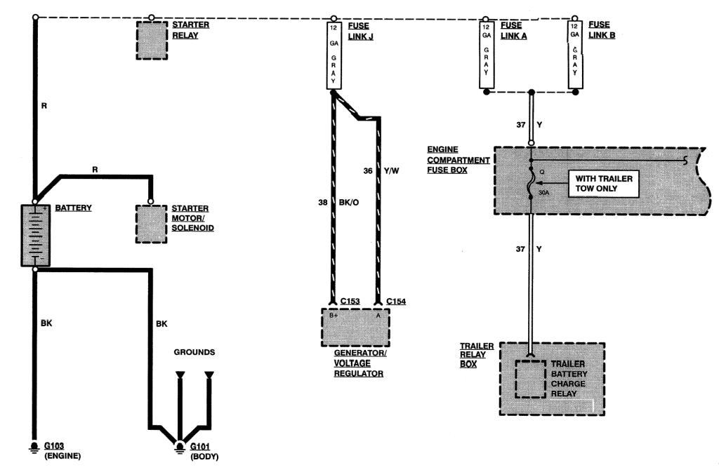
I read in another forum that if the fuseable link to the starter is blown it will cut all power. where is this located?
Does this truck have a main fuse?
please forgive any misspelled words, my pc says they are good but i never know lol.
First guess would be poor connections at the battery. Look at the battery cables and wires that connect directly to the battery. The smaller wires are the ones that may have an inline fuse or fusible link. Also check the connections at the starter solenoid since you just worked on it.

This is so stupid, I cleaned the battery terminals and connector, then the lights came back, and the truck started right up. thanks for the info!!!
Comments are closed.