My name is George and recently my car has been giving me issues. I have a Toyota Corolla 2005 (European spec or E120/130). Couple of times I would be driving on the road and it will stall or shuts down.
I have changed fuel pump, ignition coils and spark plugs, air filter, had the battery checked, yet it still shuts down.
The check engine light has being on and when scanned, it will scan other modules like airbag, Abs, but it won’t scan or read the ECM.. I have tried to change the ECM, trice now, but it won’t work. I also noticed my car do not have an oxygen sensor either before or after catalytic converter. My question(s) is could it be a wiring problem or the air intake system is bad because spark plugs is always coated in black soots due to rich fuel mix, though my air flow meter is working fine or is d catalytic converter choked?
It could have a choked or clogged catalytic converter. But in order to test it you would need to place the tester in the O2 senor hole which it does not have. Then you would look for no more than 1.5 to 3 psi. Not very likely that is your issue though as it would be clogged all the time and not intermittently. The in ability for the computer codes to scanned is an issue. More than likely a wiring or fuse related issue. You could stat by inspecting the data link connector and wiring. Once you are able to connect to the computer and retrieve the codes they should help guide us in the right direction.


I appreciate your response. Is it possible to retrieve engine codes manually, that is, without a scan tool on this particular make and model?
Unfortunately not.
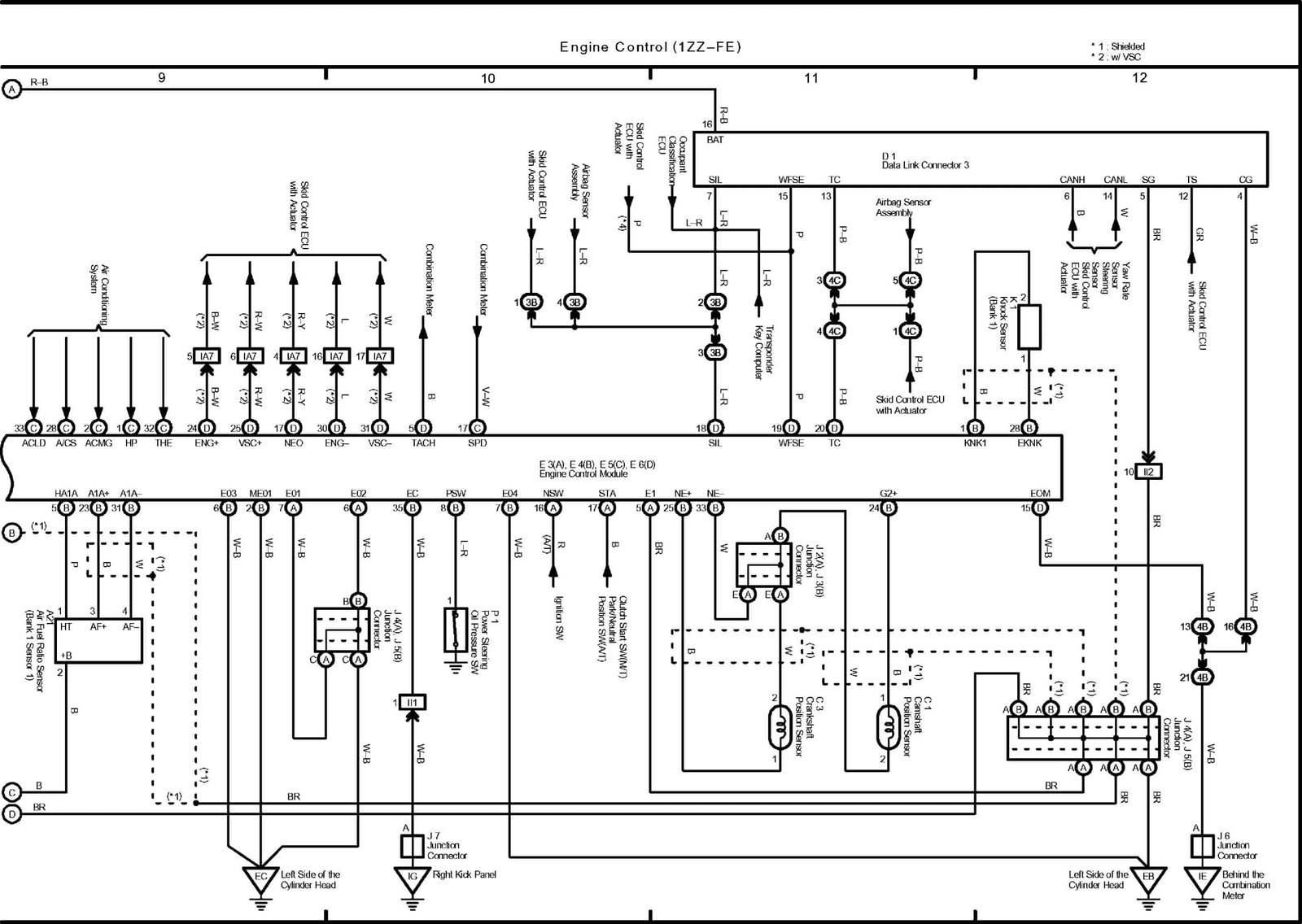
Thank you. It’s been difficult for my mechanic to fix begin that the wires connected to OBD II are 8; 4 of which are white while other 4 are multicolored. Please is it normal for this make and model (Corolla E120/E130) to have such? If yes, please can you assist me with wiring diagram. Thank you
The above wiring diagram I have provided already is the diagram. Look at upper right side of diagram once you click on it. You will see a rectangle box that is labelled “Data Link Connector 3” This is the connector located just under the steering wheel and where the computer or scan tool is connected to pull codes and such.
The lines that are coming out of that box represent the wires. And the letters just under the number on each line represents the COLOR of each wire. B=Blue, BR=Brown, R-B=Red w/Blue, p=Purple, etc.
If you need a better wiring diagram they are available for purchase here: https://www.freeautomechanic.com/purchase-wiring-diagrams.html
Hello Sir, finally fixed my car, the problem was worn out oil valve seal, the rubber within got expanded, all 16 of it. This was due to past over heating problems I have experienced with my car. Thanks
Glad to hear you got the issue resolved. And for letting us know how it turned out.
Comments are closed.